During the final development stages of the RH300B amplifier a
similar schematics for use with 2A3 tubes has imposed itself as quite feasible
and logical. The 2A3 is a DHT tube just like the 300B, of similar general
characteristics: mu is around 4 in both cases, while plate resistance is
between 700 and 800 ohms. The main difference between these two tubes, heaters
voltage aside, is maximum ratings – dissipation and voltage. Thus slight
downscaling of operating voltage and current to create operating conditions
acceptable for 2A3 tubes has been done before with several popular schematics.
This would be the general RH2A3 schematics – almost a
mini-RH300B. With lower B+ and current consumption, cheaper to build due to
lower power requirements, different heater voltage for the output tubes, and
lower power with the same or similar output transformers. Just as in the case
of the RH300B, at 5.1W and 1% distortion, output power exceeds expectations –
and will probably be discussed and questioned in the future by all who have not
built the amplifier themselves and thus ascertained whether the promise has
been fulfilled.
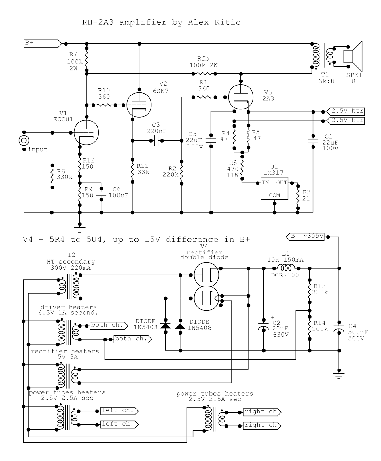
As the schematics is strikingly similar to the RH300B, I shall not repeat all considerations related to the schematics itself – the only
appoint that should be made, or rather repeated, is that the operating point of
the cathode follower tube is determined by the directly coupled grounded
cathode driver tube. Thus it will draw the same current regardless of tube type
used – and this time I have chosen to adopt an octal socket, accommodating 6SN7
tubes, but 6SL7, ECC35, and other similar tubes can be used as well – you can
go as far as 6BL7, 6BX7… even 6AS7 (or 5998). While it might elude logic to
employ 6AS7, 6080, or 5998 (WE421 by TungSol) due to the relatively low current
draw, and keeping in mind that these tubes have very high heater current
requirements which would have to be taken into account – the sonic results
obtainable with these tubes reflects their known sonic characteristics, and are
quite interesting in the scope of this amplifier.
The twist
The RH2A3 can be built with regular 2A3 tubes, either NOS or
current production: it seems that just like the current production of 300B,
modern 2A3 tubes are good sounding, reliable, and meet the “single anode”
construction so much sought after by some DIY-ers and audiophiles. And of
course, that is the most logical way to go…
But I have built mine with “unusual” 2A3 tubes – on octal base.
While the 2A3 tube was manufactured as well with 6.3V heaters and UX4 base
(6A3), and further developed into a version with 6.3V heaters and octal base
known as 6B4G – I am referring to “special edition” 2A3 tubes, with 2.5V
heaters, mounted on octal base. The most notable application of these tubes have
been the Audio Innovations First and Second amplifiers, as it seems that 2A3
tubes were custom ordered on octal base due to a lack of UX4 sockets at the
time. In my personal opinion, while this is a plausible answer, I guess that
commercial concerns were important as well, channeling the supply of spare
tubes for the amplifiers.
Anyway, a different base just needs a particular socket, and
besides complicating life a little bit trying to source 2A3 tubes on octal
bases, this would not be much of a twist. In keeping with the inherent universality of my designs, at this
point the 1619 enters the stage. The 1619 is a direct heated beam tetrode tube
on octal socket. It has 2.5V heaters just like the 2A3, and is pin-compatible
with the octal socket used for octal 2A3 tubes – pins 2 and 7 for the
filamentary cathode, 3 for the anode, and 5 for the control grid.
So far so good - but what about the second grid and the beam
forming plates? While the 1619 is used by some in triode configuration, with g2
connected to the anode – this application is almost reserved for the old radio
collectors market. The 1619 is seen as a cheap replacement for expensive 45
tubes, and relatively elaborate adapters are being made or sold to allow
plugging the 1619 in old radio receivers. In the case of the RH2A3/1619
amplifier, the second grid on pin 4 is connected via a zener diode to B+ (56V 5W zener recommended, setting the g2 voltage at approximately 250V), while
the beam forming plates (pin 8) are connected to the shield (pin 1) and
directly to ground. Furthermore, pin 6 – which is missing on 1619 tubes – is
used as the “virtual cathode” point. Pins 4, 6, 8, and 1 are NC on 2A3 octal
base tubes, just like they are NC (not connected) on 6B4G tubes (as a matter of
fact, the octal base of the 2A3 octal is identical to the 6B4G base). Thus when
a 2A3 is plugged into the socket, it is indifferent to the connection of these
pins.
How to make it all work?
Both tubes have 2.5V heaters with similar current
consumption, and 15W anode dissipation ratings. But the bias voltage of the
2A3, i.e. the potential of the cathode in respect to ground, is much higher
than that of the 1619. At the foreseen operating condition of approximately
250V across the tube and (exactly) 60mA of current draw, the bias voltage of
the 2A3 exceeds the ratings of the LM317 regulator. While this could be solved
by adopting a TL783 regulator which is safe for input voltages of up to 125V
(the main and probably only relevant difference between these two regulators is
the adoption of a DMOS output transistor in the TL783) – the bias voltage times
the current draw will require a relatively large heat-sink and lead to a
potential overheating problem. The resistor shown in the schematics absorbs
most of the voltage differential and lowers heat-sinking requirements for the
active element (LM317), leading to more stable operation. I just somehow prefer
to run solid state components as cool as possible, and leave the heat to the
high power ceramic resistors. In order to operate the 1619 tube, the resistor must
be excluded from the circuit, which is easily done bypassing it with a switch.
The difference in voltage across the tube will be dealt with
naturally by the difference in tube type: since the 1619 is a tetrode, the
total current draw is the sum of anode and screen grid current. Thus anode
current will not be 60mA as with the triode 2A3, but about 54mA – as
approximately 6mA will be drawn by the second grid. Changing tubes and
excluding the voltage dropping resistor by switching it off will lead to a
different set of operating conditions which suits the 1619 just as well as the other
set of operating conditions (with voltage dropping resistor) suits the 2A3.
The output transformer
Another important difference between 2A3 and 1619 is the
optimal anode load: while the 2A3 triode will perform at its best at values between
2.5k to 3k, the 1619 beam tetrode would require a load between 5k and 6k. To
achieve this goal, we need a very versatile output transformer which would
allow us to change anode loading at the flip of a switch (or switches).
The Lundahl LL1623 output transformer used in this
amplifier, besides the highest build and materials quality, has a probably
unique versatility and adaptability to various circuits, since both the primary
and the secondary windings can be arranged to suit a wide range of currents and
transformation ratios.
While the primary windings could be arranged in parallel to
double the maximum current capability, this would lead to lowering the
inductance, and since the gap is already set at the factory to suit for 60mA,
90mA, or 120mA of DC current across the primary – the best solution is to connect
all primary windings in series, as shown in the datasheet. Thus the inductance
of the primary will be defined by the chosen gap, i.e. required DC current
value. Quite logically, the optimal gap for the RH2A3 amplifier is as set for
60mA DC current across the primary.
The secondary windings can be combined to achieve standard
foreseen anode loads of 1.6k, 3k, and 5.6k – for an insertion loss that varies
between 0.2dB and 0.8dB. Bearing in mind that all the above combinations are
possible for 4, 8, and 16 ohm loudspeakers – it is obvious that the possible
anode load is actually even more varied.
While the user might exercise his (or her) wits by finding
alternative connection possibilities, an application sheet is available on the
Lundahl site showing possible secondary winding connections that allow
switching between “adjacent” anode loads by use of switches or bridges. Since
my application is with 8 ohm speakers, I have chosen to prepare the output
transformers for B/C, i.e. 5.6k and 3k loads into 8 ohm outputs.
While for the connections of the primaries I have chosen to
solder pieces of wire, the much more elaborate secondary connections seem to require
a different approach: hence the wire harness showed in the pictures. The three
switches allow the choice between 3k anode load (suitable for 2A3) and 5.6k
anode load (suitable for 1619). While the wiring harness looks complicated, and
indeed requires a couple of hours to complete and check – there is no need to
rush while building an amp. The building experience is indeed a source of
pleasure, and once you finish building the amp, you will probably be using it
for years to come: what would be the point of building it in one afternoon?
I feel confident with the solution I have adopted – but a
further simplification and expedient could be a custom PCB, foreseen to be
simply mounted and soldered on the pins of the secondary windings, greatly
simplifying the build and avoiding the need to check and re-check.
Thus, to recapitulate: one switch to include/exclude the
voltage dropping cathode resistor (2A3/1619) and three switches to select the
optimal anode load for the tube (3k/5.6k). I guess that is not too much to do
in order to enjoy two (slightly) different amplifiers from a single box?
Of course, the switch for the dropping resistor can be
omitted if TL783 is used with an adequate heat-sink (dissipation will reach
2.5W with 2A3 tubes) – and with that touch the only possibility for error would
be avoided: because, if you insert a 2A3 tube without the voltage dropping
resistor, you will most probably kill your LM317 – and if you insert a 1619
tube with the voltage dropping resistor in circuit, it will not be able to draw
the specified current, leading to possible overvoltage conditions for the power
supply caps (which is why those are not rated for a tempting 400V that looks to
be just fine, but would be easily exceeded if the output tubes do not draw
current for any given reason). On the other hand, if you forget to set the
correct load for the output tubes, the lack of power and early clipping will
harmlessly remind you to check the switches…
How does it sound (and compare)?
I used to have for quite a long time a 6B4G SE “no feedback”
amp that I enjoyed quite a lot and used it as a “reality check” at the time of
the initial RH designs – RH84 and RH807. The amp was very straightforward and
classic, I had conceived it as a two stage design with 6SN7 (grounded cathode,
bypassed cathode resistor, resistor loaded anode, 6mA current) driver and 6B4G
output (automatic bias via bypassed cathode resistor, 300V across the tube,
50mA current draw, 3.5k load). While the “no feedback” designation is a
nonsense per se – as particularly in triodes, plate current is dependent on the
plate to cathode voltage differential: as the signal tries to pull the control
grid positive it causes a rise in anode current, but the anode to cathode
voltage differential decreases at the same time, trying to pull the anode
current down. Since anode and control grid are pulling in opposite directions,
this is negative feedback by definition… (to put it as straightforward as
possible, though simplified to the point of easy criticism) While the behavior
of the triode suggests an “inbuilt” feedback mechanism, the term “no feedback”
is more of a common lingo expression reflecting the fact that cathode
degeneration was “avoided” throughout by adoption of bypass caps on cathode
resistors (avoided, that is, from the high pass frequency on), as well as the
lack of NFB either local or overall. While the feedback nonsense should be left
aside, the reality check comparison
is something I frequently do, and can only suggest it to everyone – as a means
of avoiding the proud of ownership (or craftsmanship, or own design) syndrome
and illusions about the perceived quality or quantity. The mentioned amp was a
classic 3.5W 2A3 class amp (with good quality black anode 6B4G tubes) and
represents a valid statement to compare the performance of the RH2A3 with.
One important detail is the hum inherent with AC heating
operation of direct heated tubes: the hum level is proportional to the heater
voltage, and the gain of the tube. Thus the most obvious advantage of the 2A3
in comparison with the 6B4G is AC related hum. In RH amplifiers, hum is
obviously reduced by the application of feedback – so much so that it can be
barely heard on the RH300B (5V heaters), and it becomes virtually inaudible on
88dB/W/m speakers with 2A3 tubes (2.5V heaters). On the other hand, the hum of
a “no-feedback” 6B4G amp can be easily heard on the same speakers, although it
might not be so distracting at the listening position (“humming pot” or not, it
could be heard between songs during quiet night hours). If a 6B4G is used
instead of 2A3 in this circuit, AC hum would be more apparent, but much less
pronounced than in a classic “no-feedback” circuit.
First of all, the power output of this amp is nothing short
of awesome, from a 2A3 amp – that is. While 5W will not rock most houses
(unless those houses are equipped with very efficient speakers), it definitely (re)produces
music much louder than a classic 2A3 amp – to the point that, depending on your
listening taste, you would probably not need anything more powerful 95% of the
time, even with 88dB/W/m loudspeakers. Obviously, the RH300B can go much louder
– and does so effortlessly after the point where the RH2A3 clips – showing that
there is a definite difference in output power, quite adequate to the 5W vs.
12W comparison.
This gap in power is reduced when 1619 tubes are used. While
lacking good models for the 1619 I can only estimate the power to be about 7.5W
– and the best comparison probably is the RH307A Super. While the curves of the
307A look more promising than those of the 1619, both are 15W anode dissipation
tubes, and the difference in curves probably stems as well from the difference
in internal construction – while the 307A is a direct heated pentode, the 1619
is a direct heated beam tetrode. The direct comparison shows similar power for
both amplifiers… which is quite logical to me. Thus the option to use 1619
tubes does extend the possibility to enjoy music with this amplifier.
In operation, what makes this amplifier so nice and user
friendly is current consumption and heat. If you sum up the requirements for
the various secondary windings on the power transformer, it becomes apparent
that a nice 100VA unit will be just fine for the task – which translates into
nice and small, particularly in the realm of toroids. Not to mention further
size decrease if you choose to wind two transformers, of which one for the tube
heaters (allowing easy and cheap modification to use i.e. 6B4G output tubes).
Current draw is slightly less than 140mA, allowing you to employ a nice
smallish choke… while the schematics calls for a 10H 150mA choke, I have used a
5H 150mA unit without any ill effects (like hum). Cold and relaxed in
operation, particularly when compared to larger amps, you can just forget about
it once you have powered it up, and concentrate on the music (or whatever else
you are doing that is just being complemented by the music).
How about the sound? While the amplifier quite predictably
sounds remarkably similar to other RH amplifiers, it does present some unique
characteristics due to the very high quality of the output transformers used.
While the socket play is an interesting feature, in a way the amplifier is
built around the LL1623 output transformers – allowing for easy adaptation to
the optimal load for each tube used. The low insertion loss and high intrinsic
quality of the transformer are clearly felt in the sound, compared to other
good quality and large size, both EI laminations and double C (4C in fact – it
should be called quadruple C, I guess) core output transformers used in the
RH300B and RH307A, respectively.
An initial premise about the sound in the 2A3 version is dictated
by the specific output tubes. Since I am not aware of other 2A3 octal base
tubes beside the Shuguang, this is probably a limiting option for tube rolling
and synergistic combinations. The “old type contemporary” double anode 2A3
tubes are probably inferior in quality to the best contemporary “mono-plate”
2A3 tubes, and the “fake mesh” 300B (most probably made in the same factory)
which were sold under various brand names during the years, and are known for a
specific sound signature favoring great highs and mids. The RH2A3 (with 2A3
tubes) sounds remarkably similar to the RH300B, albeit with lower power.
Besides unexpectedly high listening volumes when compared to other 2A3 amps,
the most striking points are great, well defined, and extended bass notes – as
well as great mids, particularly lower mids. We could say that the amplifier
does a great performance in the “melody range”. Differing from the “fake mesh”
300B, the RH2A3 sounds more similar to the sound of the RH300B used with EH300B
tubes – but the bass is even better defined, the mids finer chiseled: I guess
that with the extreme similarity of the schematics, and with the same or very
similar drivers used, as well as the same rectifier tube, the merit clearly
goes to the Lundahl LL1623 output transformers, easily outperforming the nicely
wound and rather large (and heavy, too) EI105 lamination output transformers
used in my RH300B. This is an assertion that I hope to check in the future by
substituting the output transformers in the RH300B.
The 1619 is a direct heated beam tetrode, and beside an
increase in power, few would expect it to introduce an improvement in sound
quality… but as a matter of fact, it does. Compared to the Shuguang 2A3 octal
tube, the black metal 1619 tubes are visually inferior, but their sound is
better balanced overall. While the bass is slightly less pronounced, it is by
no means inferior due to the increase in power – but the most striking
difference is less pronounced mids, and an improvement in upper mid and highs quality.
The mids are less in evidence, and the general tone is even more listenable and
involving. Output power is on a par with the RH307A Super, and comparing to the
large 4C output transformers in that amp, the LL1623 shows even greater finesse
in the upper mids, a clearness of tone that becomes particularly apparent when
listening to LP records. When clear and clean upper mids are mentioned, the
first thing that comes to mind is a possible exaggeration of these tones when
vinyl is reproduced – but it is quite the opposite, as the upper mids and highs
are not exaggerated at all, while the impression is one of increased listen-ability.
The upper mids and highs result extremely clear and clean, not intrusive or
evidenced.
What if?
As already mentioned, the only 2A3 octal base I know of are
the older production Shuguang made specifically for Audio Innovation, which one
might already own, or find a means to acquire somewhere. On the other hand, the
1619 is basically a sleeper tube – visually unattractive, odd heater voltage,
direct heated, and commanding relatively low prices (mostly driven by the radio
collectors market). Besides the possibility to opt for building it as a classic
UX4 socket amp – which is always a good solution per se, but leads to a loss of
1619 functionality – one possibility could be adopting UX4 to octal adapters,
similar to those employed to make use of 5Z3 tubes in octal sockets.
Making such
an adapter should be very simple and straightforward once you procure the parts
necessary – after all, it is about soldering wires between the correct pins,
and fastening the two parts together – and it would allow to listen to the amp
with modern 2A3 tubes as well as the highly regarded mono-plates of times long
passed. I guess employing adapters would
be much easier than changing the bases on 2A3 tubes (once you unsolder the pins
and dilute the “glue”, it is easy to detach the base on any given DHT… all you
would need to do would be fitting the wires into the proper pins on the octal
base, gluing the base and soldering the pins. A good option to glue the base
could be thermally stable silicone (for heating applications)… but that might mean
pushing it too far, for most!
Another very simple alternative would be to build the amp
for 6B4G tubes, which can still be found at low and affordable prices (Russian
6C4C – i.e. 6S4S) – and use 6L6 tubes as an alternative. By 6L6 tubes I mean
specifically the metal 6L6Y, the glass ST version 6L6, and the several Russian 6П3С, i.e. 6P3S
types – all those 6L6 types are rated between 15 and 19W anode dissipation,
thus perfectly suitable to be used in the circuit instead of the 1619, not to
mention the possibility to employ 6V6 and 6F6 types as well – and all that with
just a few circuit differences (simple modifications to be performed on an
already built RH2A3-1619) as shown in the schematics.
Besides 6.3V heater windings for the output tubes (6L6 types
draw 0.9V which is almost identical to the 1A drawn by the 6B4G), the main
difference is the cathode connection: instead of choosing between keeping or
excluding the resistor in the circuit, this time it is about choosing between
“virtual cathode” (made on pin 6 – which path includes the voltage dropping
resistor) or indirect heated cathode (on pin 8). Pin 1 can remain connected to
ground, thus the metal envelope on 6L6Y tubes will be grounded, and EL34 tubes
might be used as well with their g3 correctly grounded via pin 1.
I would like to thank Mr. Per Lundahl of
Lundahl transformers, Sweden, for his kind assistance, help, and support in the
realization of this project.











